深圳蜜桃APP污直线蜜桃视频在线观看视频丝杆模组

上银蜜桃视频在线观看视频找蜜桃APP污 选型和服务棒棒哒上银蜜桃视频在线观看视频丝杆华南仓储中心蜜桃APP污仓HIWIN Linear Guideway

上银蜜桃视频在线观看视频选型报价电话137511362460755-21631136

蜜桃APP污-微型蜜桃视频在线观看视频等精密传动元件提供商
PMI银泰直线蜜桃视频在线观看视频滑块图纸下载
返回列表 来源: 蜜桃APP污直线传动 发布日期: 2020.12.25

做机械设计的朋友,都会有体会,碰到需要用到的结构件、配件,审核的时候,都会找图纸核对。就比如经常用到的传动配件PMI银泰直线蜜桃视频在线观看视频滑块图纸,作为银泰直线蜜桃视频在线观看视频代理商,蜜桃APP污传动给大家提供PMI银泰直线蜜桃视频在线观看视频滑块图纸下载。pmi银泰直线蜜桃视频在线观看视频选型手册.pdf

PMI银泰直线蜜桃视频在线观看视频滑块图纸下载

蜜桃APP污都知道,PMI银泰直线蜜桃视频在线观看视频型号主要分为重负荷型的MSA,低组装系列的MSB,以及微型蜜桃视频在线观看视频MSC/MSD,还有滚柱型直线蜜桃视频在线观看视频MSR等等,有兴趣的朋友,可以参考这篇文章的介绍:PMI银泰直线蜜桃视频在线观看视频型号规格说明。

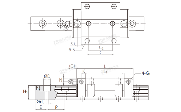
PMI银泰直线蜜桃视频在线观看视频滑块图纸,如下图所示,

重负荷型直线蜜桃视频在线观看视频MSA图纸:

PMI重负荷型直线蜜桃视频在线观看视频MSA图纸

PMI重负荷型直线蜜桃视频在线观看视频MSA图纸2

PMI重负荷型直线蜜桃视频在线观看视频MSA图纸3

PMI重负荷型直线蜜桃视频在线观看视频MSA图纸4

重负荷型直线蜜桃视频在线观看视频MSB图纸:


PMI重负荷型直线蜜桃视频在线观看视频MSB图纸

PMI重负荷型直线蜜桃视频在线观看视频MSB图纸2

PMI重负荷型直线蜜桃视频在线观看视频MSB图纸3

PMI重负荷型直线蜜桃视频在线观看视频MSB图纸4

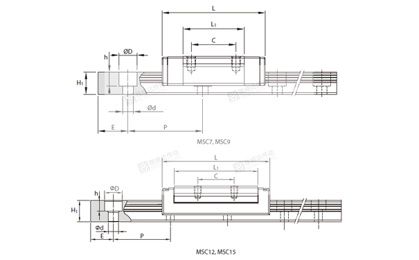
重负荷型直线蜜桃视频在线观看视频MSC/MSD图纸:


PMI重负荷型直线蜜桃视频在线观看视频MSC图纸

PMI重负荷型直线蜜桃视频在线观看视频MSC图纸2

PMI重负荷型直线蜜桃视频在线观看视频MSC图纸3

PMI重负荷型直线蜜桃视频在线观看视频MSC图纸4

重负荷型直线蜜桃视频在线观看视频MSR图纸:


PMI重负荷型直线蜜桃视频在线观看视频MSR图纸

PMI重负荷型直线蜜桃视频在线观看视频MSR图纸2

PMI重负荷型直线蜜桃视频在线观看视频MSR图纸3

PMI重负荷型直线蜜桃视频在线观看视频MSR图纸4

如果您需要更加详细的图纸,或者具体每个型号规格的银泰直线蜜桃视频在线观看视频滑块图纸,欢迎联系蜜桃APP污小编,会给您提供下载。

        深圳蜜桃APP污传动, HIWIN 上银、 PMI银泰、 CPC 、思特亿等各品牌传动配件厂家直接授权商, 12 年专注线性蜜桃视频在线观看视频传动与控制,15 年的直线蜜桃视频在线观看视频选型与应用经验的工程师,给您提供技术支持,服务于各种自动化设备、数控加工设备、医用器械等线性蜜桃视频APP下载传动系统 ,当然也包括微型直线蜜桃视频在线观看视频。详情可致电: 13751136246 或访问网址: www.lotusframe.com 进行咨询,蜜桃APP污将会为您解决更多直线蜜桃视频在线观看视频选型及应用难题。

                                                                                                                                                                                                        责任编辑:蜜桃APP污传动
                                                                                                                                             本文链接:http://www.lotusframe.com/articles/pmiytz2801.html
                                                                                                                             尊重原创,转载或引用,请清晰标明出处,版权归蜜桃APP污直线传动所有!

咨询热线

0755-21631136

热门标签

蜜桃APP污传动, 线性蜜桃视频在线观看视频, 直线蜜桃视频在线观看视频, 微型蜜桃视频在线观看视频, 蜜桃视频在线观看视频, 上银蜜桃视频在线观看视频, 线性蜜桃视频APP下载, 直线蜜桃视频在线观看视频规格, 直线蜜桃视频在线观看视频型号, 蜜桃视频在线观看视频精度, 深圳蜜桃视频在线观看视频代理商, 直线蜜桃视频在线观看视频预压, 直线蜜桃视频在线观看视频电子样本, 直线蜜桃视频在线观看视频代理商, 广州上银直线蜜桃视频在线观看视频代理, 上银, 线性蜜桃视频APP下载, 线性蜜桃视频APP下载型号, 蜜桃视频在线观看视频规格, 东莞上银蜜桃视频在线观看视频总代理商, 直线蜜桃视频在线观看视频精度, 线性蜜桃视频在线观看视频预压, 直线蜜桃视频在线观看视频箭头, 国产直线蜜桃视频在线观看视频, 直线蜜桃视频在线观看视频的设计原则, 直线蜜桃视频在线观看视频使用常见问题, 直线蜜桃视频在线观看视频的特点, 直线蜜桃视频在线观看视频润滑脂, 直线蜜桃视频在线观看视频的选型方法, 直线蜜桃视频在线观看视频的摩擦系数, PMI银泰直线蜜桃视频在线观看视频的几种安装方法, 直线蜜桃视频在线观看视频精度等级划分, 银泰直线蜜桃视频在线观看视频滑块图纸, 银泰直线蜜桃视频在线观看视频的选型设计, 直线蜜桃视频在线观看视频防尘处理, 银泰直线蜜桃视频在线观看视频综合样本下载

返回蜜桃APP污蜜桃视频在线观看视频滑块,线性蜜桃视频APP下载,微型蜜桃视频在线观看视频顶部按钮
<a id=" src="/resource/images/57d4fe89b5864f1192976261d97f9c82_4.png" title="">蜜桃APP污手机网站
<a id=" src="/resource/images/57d4fe89b5864f1192976261d97f9c82_2.jpg" title="">蜜桃APP污公众号
  • 索取蜜桃视频在线观看视频选型资料、获取丝杆报价电话

    137511362460755-21631136

  • 邮箱

    419865446@qq.com

  • 蜜桃视频在线观看视频工厂地址

    深圳市宝安区松岗松涛社区广深路122号蜜桃APP污传动科技园研创大楼三楼

深圳市蜜桃APP污机电有限公司 @ 版权所有 备案号:粤ICP备51868607号-1主营:直线蜜桃视频在线观看视频 滚珠丝杆 直线模组 微型蜜桃视频在线观看视频    
网站地图