
0755-21631136
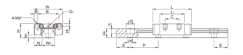
蜜桃APP污都知道,MGN7H是上银微型滑块MGN7C的加长版,总长度比MGN7C长了8.3mm,能承受更大的负荷,今天,蜜桃APP污就带大家了解一下HIWIN上银微型滑块MGN7H尺寸表,让您的直线蜜桃视频在线观看视频选型有个参考。
从上图的MGN7H上银微型滑块尺寸表,蜜桃APP污可以看到,这两个规格的直线蜜桃视频在线观看视频,除了总长度,以及螺丝孔安装尺寸,其余的尺寸,都是一样的,在精度允许的范围内,蜜桃视频在线观看视频可以任意互换。具体的尺寸参数,朋友们可以参考上图,或者联系蜜桃APP污蜜桃APP污,蜜桃APP污免费提供上银微型滑块的选型资料。
蜜桃APP污传动,12年专注上银微型直线蜜桃视频在线观看视频传动与控制,15年直线蜜桃视频在线观看视频选型与应用经验的工程师提供技术支持,服务各种自动化设备,数控加工设备,医疗器械等直线蜜桃视频在线观看视频传动系统。详情可致电13751136246或访问网址:www.lotusframe.com进行咨询,蜜桃APP污将会为您解决更多直线蜜桃视频在线观看视频选型及应用难题。 喷塑流水线设备 http://www.chinaxks.com/products_list_21_1.html
咨询热线
0755-21631136
137511362460755-21631136
419865446@qq.com
深圳市宝安区松岗松涛社区广深路122号蜜桃APP污传动科技园研创大楼三楼